关注次数:2076 次
商品类型:SSMP系列射频同轴连接器
上架时间:2023-06-24 14:15:45
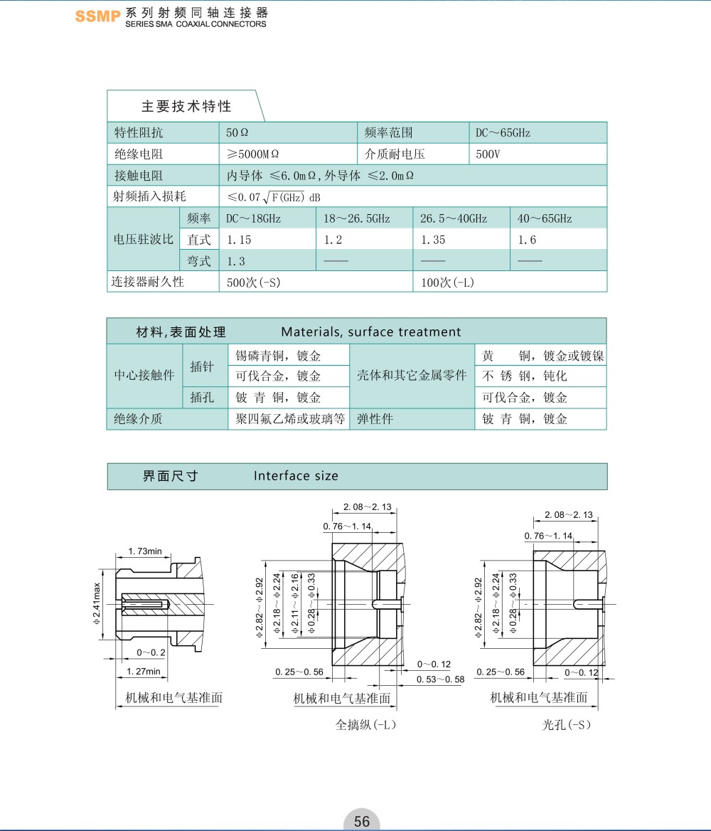
产品描述:SSMP系列产品是一种超小型推入式射频同轴连接器,结构特点与SMP相似,但较SMP体积更小。具有体积小、重量轻、使用方便、工作频带宽、允许有一定的轴向和径向对插不对准度等特点,适用于模块化密集安装的场合。SSMP系列插头具有全擒纵和光孔两种界面形式,可提供二种连接保持力以满足不同的使用环境。
咨询电话:029-81110565 戴鹏 19991253852
SSMP系列产品是一种超小型推入式射频同轴连接器,结构特点与SMP相似,但较SMP体积更小。具有体积小、重量轻、使用方便、工作频带宽、允许有一定的轴向和径向对插不对准度等特点,适用于模块化密集安装的场合。SSMP系列插头具有全擒纵和光孔两种界面形式,可提供二种连接保持力以满足不同的使用环境。
















