关注次数:2032 次
商品类型:1.85系列射频同轴连接器
上架时间:2023-06-24 14:11:15
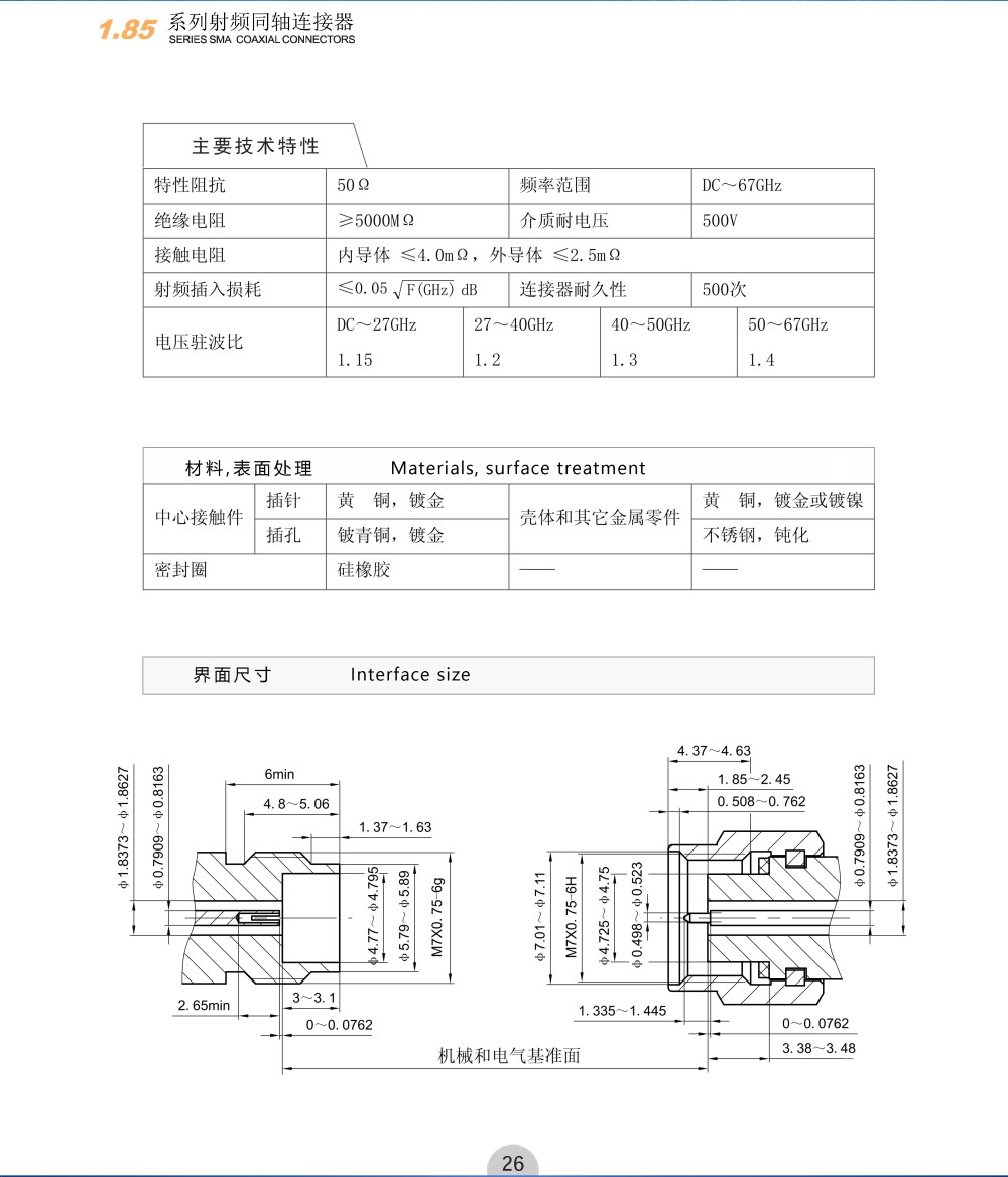
产品描述:1.85系列毫米波同轴连接器采用空气界面,使用频率高达67GHz,可与2.4系列产品对接互换。具有体积小、重量轻、使用频率高、连接可靠等优点,广泛应用于现代精密测量领域和各类毫米波通信设备中。
咨询电话:029-81110565 戴鹏 19991253852
1.85系列毫米波同轴连接器采用空气界面,使用频率高达67GHz,可与2.4系列产品对接互换。具有体积小、重量轻、使用频率高、连接可靠等优点,广泛应用于现代精密测量领域和各类毫米波通信设备中。


